The most spectacular mythology event in the world is lightning or the thunder bolt out of the sky. This phenomenon has been researched for hundreds of years lead us to a greater understanding of the lightning process.
A lightning storm develops when the upper air becomes unstable due to the convergence of warm air on cooler upper air mass. This result in the raising of air current which carry water vapor, and condense give rise to a storm build up.
This small practical’s inter act and the speculation is that they are the positive charge and the bigger ones carries the negative charge. With the drafts the practical are separated into a “positive” and a “negative” clouds. The potential difference will increase over a period of time until the discharge will occur.
These discharges can happen in four different ways.
1. CLOUD TO GROUND
2. GROUND TO CLOUD
3. CLOUD TO CLOUD
4. CLOUD TO AIR
We are the most concern about the cloud to ground strike. The build up to this awesome event starts with a luminescent leader that forms in the base of the cloud and proceeds to wards ground in steps and form little branches.

Because of the electrical field that gets stronger upwards streamers are initiated on certain points on the ground, and these points are not necessary the highest point on the ground.

Under the right conditions the upward streamers will attract the downward leader and the ionization path between the cloud and the ground are complete. The lightning discharge is a much rapped event and only last for a view micro seconds.

The average lightning strike are 45 000 amps but can be much higher. The rapped rise and cooling of the air around the bolt causes the thunder effect.
The core of the lightning bolt can easily rise to 60 000 degree centigrade.
Lightning strikes are one of the most devastating natural forces known to mankind, not only to humans but to electrical equipment, and down time to business overall.
Most of the damages to buildings and equipment are due to unprotected structures that causes potential differences between two or more conductors being a good or a bad conductor and ground. This can course a side way flash and can be very dangerous to personal and electrical equipment.
Direct strikes to a building can damage the structure such as roof tiles and trusses. It is not common but damage to brick walls and concrete flooring has been reported from time to time. The thermal effect of a direct lightning strike can heat up some materials and the possibility of a fire is enhanced.

Direct lightning strikes on power lines or telecom lines can have devastating effects to all users of power or telecom lines. Ones lightning strikes a power line the current will run in both directions and will dissipates into the grid. Ones in the grid it can run for tens of kilometers and leave a path of destruction in its wake.
A nearby strike will not only change the potential between connected systems, but the static induction will induce all electrical conductors and damage although not that severe as a direct hit.

Protection for cctv, data lines, Telkom lines, power lines, modems, TV sets and computer networks.
When lightning hit the ground, tree, lightning conductor ext it is not all over. All that power goes to ground and dissipate; all conductor of electricity will be induced for as far as five kilometers. The result will be the same as direct strikes only the current wont is so intensive. The same protection must be in place for this action, and once you have a lightning conductor fitted or are close by one, the chances to contract this action is far greater than other wise.

![]() |
![]() |
![]() |
![]() |
| Straight line earthing | Crows feet earthing | Ring earthing | Tunnel earthing |
Due to the high lightning strike area that we live in. Southern Africa it is vital to protect our electronic equipment.
The recommended surge suppression ratings.
Tree phase 380 volts single phase 230 volts
RECOMMENDED SURGE RATINGS I MAX(8/20)

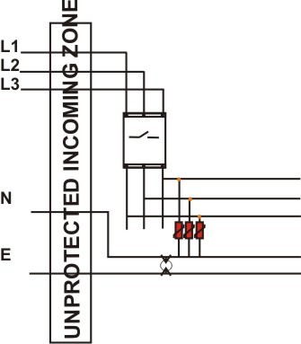
The wiring of SPD`S into db boxes are set out in the SABS 0412-1 wiring code and must be followed strictly.
In certain cases neutral and earth can be different and then a one way conductor must be installed.
There are also different classes of protection also set out in SABS 0142-1.
